|
|
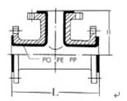
| 钢衬复合管 >> 钢衬PO三通 |
|
 |
|
|
| |
| 

|
公称通径
Norrminal
Diameter
DNmm |
主要外形尺寸Main figure size |
|
L |
H |
D |
D1 |
D2 |
b |
f |
Z----фd |
|
15 |
160 |
80 |
95 |
65 |
48 |
14 |
1.5 |
4—ф14 |
|
20 |
170 |
85 |
105 |
75 |
58 |
14 |
1.5 |
4—ф14 |
|
25 |
206 |
103 |
115 |
85 |
68 |
14 |
2 |
4—ф14 |
|
32 |
226 |
113 |
140 |
100 |
78 |
16 |
2 |
4—ф18 |
|
40 |
240 |
120 |
150 |
110 |
86 |
16 |
3 |
4—ф18 |
|
50 |
260 |
130 |
165 |
125 |
100 |
16 |
3 |
4—ф18 |
|
65 |
284 |
142 |
185 |
145 |
120 |
18 |
3 |
4—ф18 |
|
80 |
298 |
149 |
200 |
160 |
158 |
18 |
3 |
8—ф18 |
|
100 |
655 |
161 |
220 |
180 |
158 |
20 |
3 |
8—ф18 |
|
125 |
356 |
178 |
250 |
210 |
188 |
22 |
3 |
8—ф18 |
|
150 |
392 |
196 |
285 |
240 |
212 |
22 |
3 |
8—ф22 |
|
200 |
450 |
226 |
340 |
295 |
268 |
22 |
3 |
8—ф22 |
|
250 |
526 |
263 |
395 |
350 |
320 |
24 |
3 |
12—ф22 |
|
300 |
530 |
265 |
445 |
400 |
370 |
26 |
4 |
12—ф22 |
|
350 |
700 |
350 |
505 |
460 |
429 |
26 |
4 |
16—ф22 |
|
400 |
760 |
380 |
565 |
515 |
480 |
26 |
4 |
16—ф26 |
|
450 |
840 |
420 |
615 |
565 |
530 |
26 |
4 |
20—ф26 |
|
500 |
920 |
460 |
670 |
620 |
582 |
28 |
4 |
20—ф26 |
|
600 |
1000 |
500 |
781 |
725 |
682 |
28 |
5 |
20—ф30 | |
|
 |
| 点击数:2096 录入时间:2008-03-24 【打印此页】 【关闭】 |
【返回】 |
|